Tesseract 0.28.4
Loading...
Searching...
No Matches
Tesseract Setup Wizard

A GUI tool for generating SRDF files — defining collision matrices, kinematics groups, joint states, TCPs, and OPW parameters.

The Tesseract Setup Wizard is a graphical tool that helps you generate a Semantic Robot Description Format (SRDF) file for your robot. The SRDF defines:

  • Allowed collision matrix
  • Kinematics groups
  • Named joint states
  • Tool center points (TCPs)
  • OPW kinematics parameters

Getting Started

The Tesseract Setup Wizard is part of the Tesseract Ignition snap package.

Install it with:

sudo snap install tesseract-ignition

Step 1: Launch the Wizard

‍If you are using ROS, make sure you source your workspace before launching.

tesseract-ignition.tesseract-setup-wizard

‍The wizard contains a toolbar with pages for each SRDF component. To navigate between pages, click on the dark gray toolbar background, hold, and drag left or right.

Step 2: Load URDF and SRDF

Setup Wizard Startup

To use the wizard, first load your URDF file. Optionally load an existing SRDF to edit.

Loading files:**

  1. Click BROWSE next to the URDF File field and select your URDF file
  2. (Optional) Click BROWSE next to the SRDF File field to load an existing SRDF
  3. Click LOAD — your robot model should appear in the 3D viewport
  4. If the model doesn't appear, check the terminal for error messages

Drag left on the toolbar to proceed to the next page.

Step 3: Generate/Edit Allowed Collision Matrix

Allowed Collision Matrix

The allowed collision matrix specifies which link pairs don't need collision checking. Adjacent links and links that never collide should be disabled.

‍If you loaded an existing SRDF, the table will already be populated with your collision matrix.

To generate a collision matrix:**

  1. Click GENERATE — the table populates with the default collision matrix
  2. Review the matrix and verify no link pairs are incorrectly disabled
  3. To re-enable collision checking for a pair, select the row and click REMOVE

Drag left to proceed.

Step 4: Create/Edit Kinematics Groups

Kinematics Groups

A kinematics group defines which links belong to a functional part of your robot (typically the arm used for motion planning).

Enter a group name in the Group Name field, then define it using one of three methods:

Method 1: Chain (Most Common)

  1. Click the CHAIN tab
  2. Select the Base Link (usually base_link)
  3. Select the Tip Link (usually tool0 or tcp)
  4. Click ADD GROUP

Method 2: Joint List

  1. Click the JOINTS tab
  2. Select joints one at a time from the dropdown and click ADD
  3. Once all joints are listed, click ADD GROUP

Method 3: Link List

  1. Click the LINKS tab
  2. Select links one at a time from the dropdown and click ADD
  3. Once all links are listed, click ADD GROUP

To remove a group, select it in the table and click REMOVE.

Drag left to proceed.

Step 5: Create/Edit Joint States

Joint States

Define named robot poses (e.g., "home", "stowed", "ready") that planners can reference by name.

To define a joint state:**

  1. Enter a name in the Joint State Name field
  2. Select the kinematics group from the Group Name dropdown
  3. Set the value for each joint using the sliders/fields that appear
  4. Click ADD STATE

To remove a state, select it in the table and click REMOVE.

Drag left to proceed.

Step 6: Create/Edit TCPs

User Defined TCPs

Define Tool Center Points for your kinematics groups. A TCP represents the tool's working point relative to the last link in the kinematic chain.

To define a TCP:**

  1. Enter a name in the TCP Name field
  2. Select the kinematics group from the Group Name dropdown
  3. Enter the position (X, Y, Z) relative to the last link
  4. Enter the orientation as Roll (R), Pitch (P), Yaw (Y)
  5. Click ADD TCP

To remove a TCP, select it and click REMOVE.

Drag left to proceed.

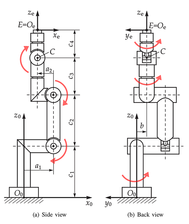
Step 7: Set OPW Parameters

OPW Kinematics Parameters

OPW is an efficient analytical inverse kinematics solver for robots with parallel bases and spherical wrists. It requires 7 measurements from your robot's specification sheet.

Use the following diagram to determine each parameter:

OPW Parameter Diagram

Enter each value in its respective field.

‍For more details on the OPW algorithm, visit the opw_kinematics repository.

Drag left to proceed.

Step 8: Save the SRDF File

Save SRDF

All settings — collision matrix, kinematics groups, joint states, TCPs, and OPW parameters — are stored in the SRDF file.

To save:**

  1. Navigate back to the first page (where you loaded the URDF)
  2. Click SAVE and choose a filename and location

Next Steps